网站首页
信息公开
政务服务
政民互动
智能问答
网站支持IPv6
网站首页
信息公开
政务服务
政民互动
统计年鉴
统计资料
党建园地
民意征集
Copyright © 2020 东莞市统计局
党建园地
统计年鉴
统计资料
民意征集
普查专栏
2025年全国
1%人口抽样调查
搜索
当前位置:
首页
>
统计年鉴
>
1978-2009
>
1995
>
各管理区主要指标
分享:
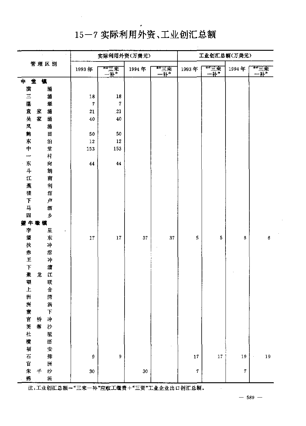
■ 15-7 实际利用外资、工业创汇总额
2020-08-07 14:40:07
来源:
发布机构:
【字体:
大
中
小
】
扫一扫在手机打开当前页
【TOP】
【打印页面】
【关闭页面】
-